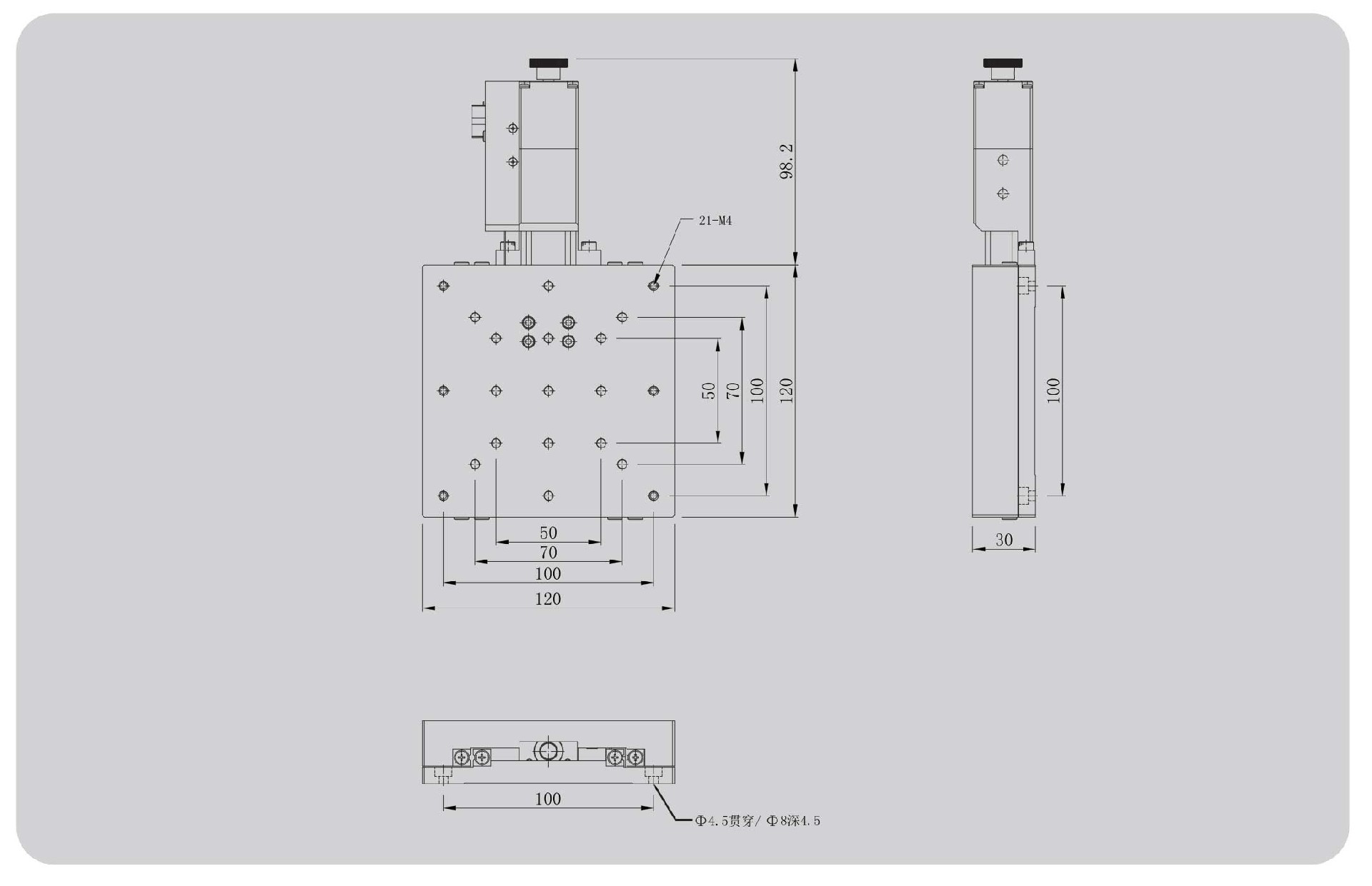
说明
电动直钱滑台系列产品是深圳市优尔讯科技有限公司为解决小尺寸、高使用频率等情况专门设计的精密型电动滑台。该系列产品主体材料采用硬质铝合金,表面黑色阳极氧化处理,耐磨性好、外型美观。导轨采用交叉滚柱,强度高、负载能力强、耐用性好,配合优尔讯特有的导轨面精密磨削技术,使该系列产品具有较高的运动精度。驱动机构采用进口滚珠丝杠(1mm导程),标配二相步进电机(日本品牌),可提供较高的微步能力和定位精度。该系列产品非常适合集成在对空间、尺寸、重量要求较高的自动化设备、精密仪器设备中,也比较适合使用在运动范围较小、往复频率高的工业生产钱中。
F系列产品是在CXP结构的基础上,采用2mm导程的滚珠丝杠,更换尺寸更大的交叉滚柱导轨,可实现更快速度,更高刚性,F系列产品适合在较大行程、高精度的要求下,对速度和刚性有更高要求的情况下使用。
特点
●采用小导程滚珠丝杠,标配二相步进电机,微步能力强、耐用性好
●采用交叉滚柱导轨,强度高、负载能力强
●导轨安装面采用精密磨削工艺,使得产品具有较高的运动精度
●内置三个光电开关(正负限位及零位),采用高柔绁缆并实现绁缆模组化,维护更方便
型号说明




